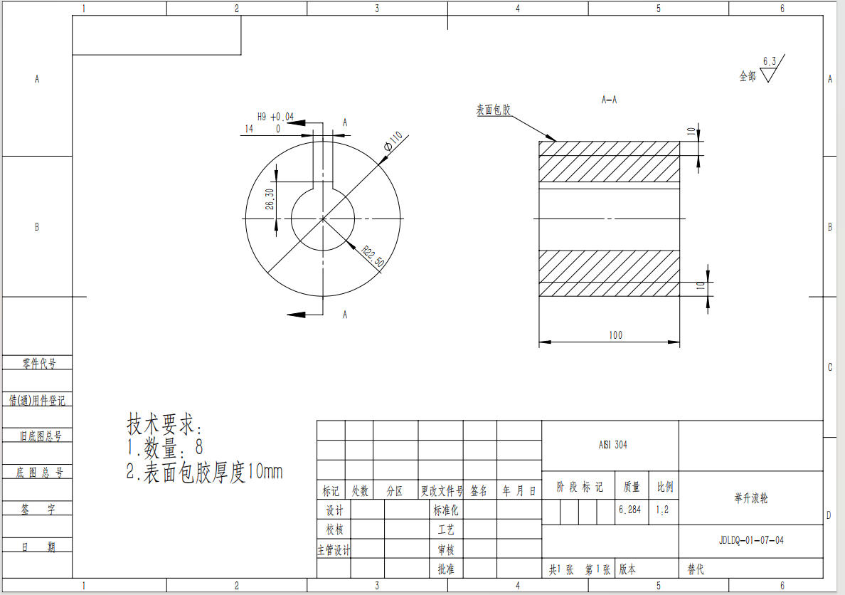
火车举升滚轮采用304不锈钢轮芯,外覆10mm厚耐强碱聚氨酯包胶,兼具高强度与优异耐腐蚀性。包胶层有效减震静音,提升乘坐舒适性,同时保护轨道免受磨损,适用于高要求检修环境,确保运行平稳、安全、持久。
在现代轨道交通系统中,火车举升设备是车辆检修与维护过程中不可或缺的关键部件。其中,举升滚轮作为直接接触轨道并承载整车重量的核心组件,其性能直接影响到作业安全性、设备寿命以及轨道保护效果。为满足严苛工况下的使用需求,新型火车举升滚轮采用304不锈钢轮芯+10mm厚耐强碱聚氨酯包胶的复合结构设计,兼具高强度、耐腐蚀、静音防震等多重优势。

一、核心材质:304不锈钢轮芯 + 耐强碱聚氨酯包胶
304不锈钢轮芯:作为滚轮的支撑骨架,304不锈钢具有优异的机械强度、抗冲击性和耐腐蚀性能,即使在潮湿、高盐或弱酸碱环境中也能长期稳定运行,有效延长滚轮整体使用寿命。
10mm厚耐强碱聚氨酯包胶层:包胶材料选用专为强碱环境开发的高性能聚氨酯(PU),不仅具备常规聚氨酯的高弹性、耐磨性与抗撕裂性,更通过配方优化显著提升了对氢氧化钠等强碱介质的耐受能力。即便在清洗或维护过程中接触碱性清洁剂,包胶层仍能保持结构完整,不发生溶胀、开裂或老化。

二、包胶设计带来的多重优势
卓越的静音性能
聚氨酯材料具有良好的吸振特性,可有效吸收滚轮与轨道接触时产生的冲击与振动,大幅降低运行噪音,为检修车间营造更安静、舒适的工作环境。
高效减震,提升乘坐体验
在举升或移动过程中,10mm厚的弹性包胶层能缓冲动态载荷,减少车身晃动,不仅保障了检修作业的平稳性,也为随车人员提供更舒适的体验。
全面保护轨道表面
相较于金属直接接触轨道的传统滚轮,聚氨酯包胶质地柔软且富有弹性,能有效避免对钢轨表面造成划伤、压痕或磨损,延长轨道使用寿命,降低维护成本。
增强抓地力与运行稳定性
聚氨酯表面具有适中的摩擦系数,在湿滑或油污环境下仍能保持良好附着力,防止打滑,确保举升过程安全可靠。
三、应用场景广泛
该型耐强碱聚氨酯包胶举升滚轮特别适用于:
地铁、高铁及机车车辆段的检修平台;
需频繁使用碱性清洗剂的维护车间;
对噪音控制和轨道保护要求较高的精密作业区域。
融合304不锈钢的坚固内核与10mm厚耐强碱聚氨酯的柔性外衣,火车举升滚轮不仅实现了“刚柔并济”的工程美学,更在功能性、耐用性与环保性上树立了行业新标杆。未来,随着轨道交通运维标准的不断提升,此类高性能包胶滚轮将成为保障高效、安全、绿色检修作业的重要基石。
相关新闻转轨堆垛机支撑轮为何优选聚氨酯材质
堆垛机内部地轨轮选型需要考虑哪些因素
热处理装取料机器人轨道轮箱在锻造厂中的优势有哪些
箱式行走轮连接方式对比